These examples are designed to demonstrate how to use a ATMEGA32 to communicate with our modules. All the modules which use the I2C bus have pull-up resistors to 5v. You only need one set of resistors for the whole I2C bus regardless of however many I2C devices you have connected to it. You can find more information about the I2C bus in our I2C tutorial.
| Index: | |
| CMPS03 | Magnetic Compass |
| CMPS12/11 | Tilt compensated magnetic compass |
| SRF01 | Ultrasonic Ranger |
| SRF02/08/10/235 | Ultrasonic Rangers |
| SRF04/SRF05 | Ultrasonic Ranger |
| TPA81 | 8 Pixel Thermal Sensor |
| MD03 | 24V 20A Motor Driver |
| MD22 | Dual 24V 5A Motor Driver |
| MD25 | RD01 Motor Driver |
| RLY08 | Relay Module |
| SD21 | Servo driver |
| SD20 | Servo driver |
CMPS03
This is an example of how to use the ATMEGA32 to read the
bearing from one of our CMPS03 modules using the I2C bus, then
display the bearing data to an LCD03.

| Download the AVR_CMPS03.zip file |
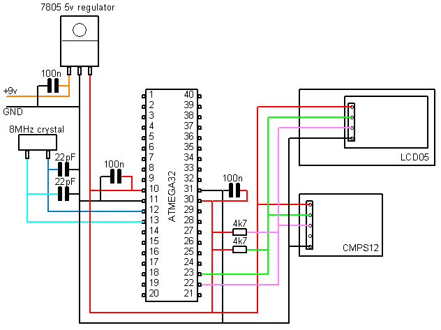
CMPS12/11
This example reads the bearing from our CMPS11 in I2C mode
displaying the bearing, pitch and roll on an LCD05.

| Download the AVR_
CMPS12.C file Download the AVR_ CMPS11.zip file |
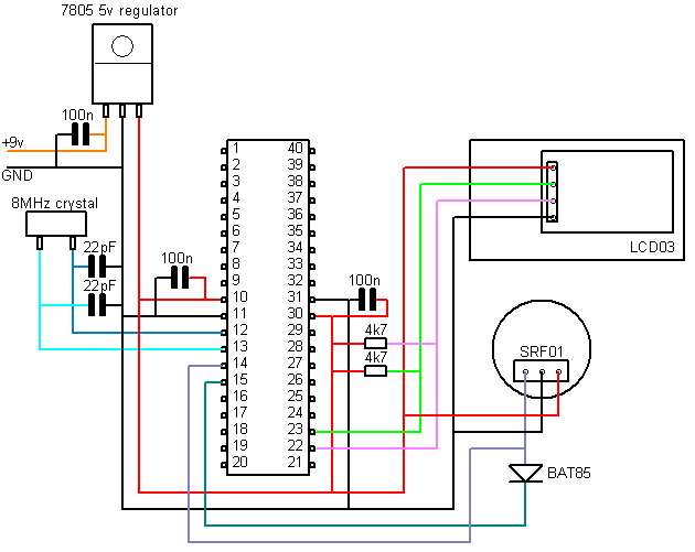
SRF01
Ultrasonic Ranger
The SRF01 uses a single pin for both serial input and output, a
BAT85 diode stops the SRF01 from driving the output line of the
ATMEGA32 when returning data The Range is displayed on an
LCD03 module.

| Download the AVR_SRF01.zip file |
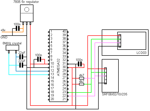
SRF02,
SRF08, SRF10, SRF235 Ultrasonic Rangers
This example communicates with the SRF02, SRF08, SRF10
or the SRF235 using the I2C bus. The SRF02, SRF08, SRF10 and
SRF235 all use the same I2C interface. The basic ranging commands
are the same, so this example works for all these rangers.

| Download the AVR_ SRF08.zip file |
SRF04/ SRF05
Ultrasonic Rangers
As the SRF04 and SRF05 use the same method of communicating this
example is compatible with both the SRF04 and SRF05.

| Download the AVR_ SRF05.zip file |
TPA81 Thermal
Sensor
The TPA81 connects to the ATMEGA32 using the I2C bus. This example
displays the ambient temperature and 8 temperatures from thermal
sensor on an LCD03 aswell as driving the TPA81 servo.

| Download the AVR_ TPA81.zip file |
MD03 24V 20A
Motor Driver
This example runs the motor forwards and backwards using the
acceleration register to move the motor to a set speed.
| Download the AVR_ MD03.zip file |
MD22 24V
5A Motor Driver
This example runs the motors using the turn register to alter
their speeds.

| Download the AVR_ MD22.zip file |
MD25 RD02
Motor Controller
This example comunicates with the MD25 via serial and drives the
motors displaying the encoder values on an LCD03 in hex format, as
well as the motor currents.

| Download the AVR_ MD25.zip file |
RLY08 Relay Module
In this example used the I2C bus to control the RLY08 turning the
relays on and off individually.

| Download the AVR_ RLY08.zip file |
SD21 Servo driver
The example moves a servo between 2 positions.

| Download the AVR_ SD21.zip file |
SD20 Servo driver
This example uses the ATMEGA32 to move the first servo on the SD20
between two positions.

| Download the AVR_ SD20.zip file |